Current Region:
Global (EN)
Choose a different country or region to see the content specific to your location
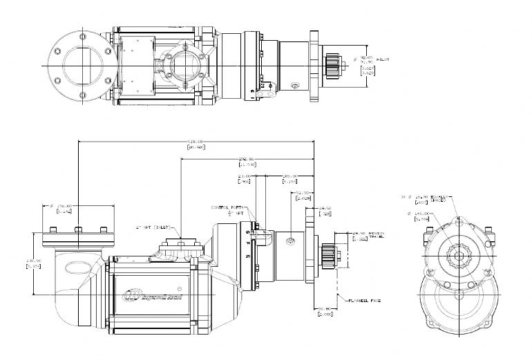
Powerful
The ST1000 Series powerful and efficient design consumes up to 25% less air and gas than other models - reducing operating costs and lowering emissions, while generating up to 8% more horsepower and up to 18% more torque.
Durable
Patented, fully supported high-speed rotor extends bearing life by minimizing deflection and ensuring concentric running. Pre-engaged front end also delivers proven durability.
Reliable
Patented solid aluminum rotor design enables reliable operation in harsh, contaminated environments by providing an open flow path for particles. Aerodynamic speed-limited design and steel containment ring also provide fail-safe reliability.
Versatile
Elbow or straight exhaust configurations available for greater versatility.
INGERSOLL RAND POWER TOOLS
For more than 100 years, professionals have relied on Ingersoll Rand for quality and performance on the toughest jobs. Our advanced engineering and manufacturing have a standard of excellence often copied, but never matched. When it comes to assembly tools, industrial tools, cordless tools and vehicle service tools, don't settle for less. Count on genuine Ingersoll Rand tools, accessories and equipment.
Industry Solutions
Aerospace Heavy Equipment Energy Oil & Gas Motor Vehicle Industry